Prekės kodas: SHPROD2
Turimas kiekis: Prekė sandėlyje
Įrenginio identifikavimas
„Shelly Pro Dimmer 2PM“ (toliau – įrenginys) yra ant DIN bėgelio montuojamas dviejų kanalų išmanusis šviesos reguliatorius (dimeris). Jis gali veikti autonomiškai vietiniame „Wi-Fi“ tinkle arba būti valdomas per debesijos namų automatizavimo paslaugas.
Įrenginį galima pasiekti, valdyti ir stebėti nuotoliniu būdu iš bet kurios vietos, kurioje vartotojas turi interneto ryšį, jei tik įrenginys yra prijungtas prie „Wi-Fi“ maršrutizatoriaus ir interneto. „Shelly Pro Dimmer 2PM“ turi integruotą žiniatinklio sąsają (Web Interface), kurią galima naudoti Įrenginio stebėjimui, valdymui bei nustatymų koregavimui.
| Gamintojas: | Shelly |

Pagrindinės savybės
Panaudojimo atvejai
Integracijos
Supaprastinta vidinė schema:

Įrenginio elektrinės sąsajos
Įvestys (Inputs)
Išvestys (Outputs)
Eterneto prievadas
Papildomų priedų sąsaja (Add-on interface)

Ryšys ir sauga
Palaikomi apkrovos tipai
Vartotojo sąsaja
Įvestys
LED indikacija
Specifications
|
Quantity |
Value |
|
Physical |
|
|
Size (HxWxD): |
94x19x69 mm / 3.70x0.75x2.71 in |
|
Weight: |
75 g / 2.7 oz |
|
Screw terminals max torque: |
0.4 Nm / 3.54 lbin |
|
Conductor cross section: |
0.5 to 2.5 mm² / 20 to 14 AWG (green connectors) |
|
Conductor stripped length: |
6 to 7 mm / 0.24 to 0.28 in (green connectors) |
|
Mounting: |
DIN rail |
|
Shell material: |
Plastic |
|
Shell color: |
Lime |
|
Environmental |
|
|
Ambient working temperature: |
-20 °C to 40 °C / -5 °F to 105 °F |
|
Humidity: |
30 % to 70 % RH |
|
Max. altitude: |
2000 m / 6562 ft |
|
Electrical |
|
|
Power supply: |
110 - 240 V~ 50/60 Hz |
|
Power consumption: |
< 2 W |
|
External protection: |
10 A, tripping characteristic B or C, |
|
Dimming type: |
Trailing edge |
|
Output circuits ratings |
|
|
Max. output power: |
200 W per channel |
|
Sensors, meters |
|
|
Voltmeter (AC): |
Yes |
|
Ammeter (AC): |
Yes |
|
Power and energy meters: |
Yes |
|
Internal-temperature sensor: |
Yes |
|
Radio |
|
|
Wi-Fi |
|
|
Protocol: |
802.11 b/g/n |
|
RF band: |
2401 - 2483 МHz |
|
Max. RF power: |
< 20 dBm |
|
Range: |
Up to 30 m / 100 ft indoors and 50 m / 160 ft outdoors |
|
Bluetooth |
|
|
Protocol: |
4.2 |
|
RF band: |
2400 - 2483.5 MHz |
|
Max. RF power: |
< 4 dBm |
|
Range: |
Up to 10 m / 33 ft indoors and 30 m / 100 ft outdoors |
|
Microcontroller unit |
|
|
CPU: |
ESP32-D0WDQ6 |
|
Flash: |
8 MB |
|
Firmware capabilities |
|
|
Schedules: |
20 |
|
Webhooks (URL actions): |
20 with 5 URLs per hook |
|
Scripting: |
Yes |
|
MQTT: |
Yes |
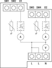
Basic wiring diagrams

Legend
|
Terminals |
Wires |
||
|
SW1, SW2 |
Switch/button input terminals controlling O1 |
L |
Live (110-240 V) wire |
|
SW3, SW4 |
Switch/button input terminals controlling O2 |
N |
Neutral wire |
|
O1, O2 |
Load circuit output terminals |
||
|
L |
Live (110-240 V) terminals |
||
|
N |
Neutral terminal |
||
|
LAN |
Local Area Network RJ 45 connector |
||