Prekės kodas: S3DM
Turimas kiekis: Prekė sandėlyje
Įrenginio identifikacija
„Shelly Dimmer Gen3“ (toliau – Įrenginys) yra vieno kanalo išmanusis apšvietimo reguliatorius (dimeris), leidžiantis nuotoliniu būdu valdyti reguliuojamo intensyvumo šviesas ir jų valdiklius (drivers) per mobilųjį telefoną, planšetę, kompiuterį ar namų automatizavimo sistemą.
Jis gali veikti autonomiškai vietiniame „Wi-Fi“ tinkle arba būti valdomas per debesijos (cloud) namų automatizavimo paslaugas. Įrenginį galima pasiekti, valdyti ir stebėti nuotoliniu būdu iš bet kurios vietos, kurioje vartotojas turi interneto ryšį, jei tik pats Įrenginys yra prijungtas prie interneto.
„Shelly Dimmer Gen3“ turi integruotą žiniatinklio sąsają (Web Interface), kurią galima naudoti Įrenginio stebėjimui, valdymui bei nustatymų derinimui. Įrenginys gali būti naudojamas kaip „trailing edge“ (atbulinio fazinio kirpimo) reguliatorius, jungiamas su nuliniu laidu arba be jo.
| Gamintojas: | Shelly |

Pagrindinės savybės
Naudojimo atvejai (Use cases)
Pagrindinės taikymo sritys (Main applications)
Integracijos
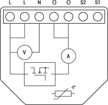
Supaprastinta vidinė schema

Įrenginio elektrinės sąsajos
Įvestys:
Išvestys:
Priedų sąsaja (Add-on interface):
Ryšys ir saugumas
*Šios funkcijos veikia tik tada, kai įrenginys naudojamas su nuliniu laidu (Neutral).
Palaikomi apkrovos tipai
Vartotojo sąsaja (Indikacija ir mygtukas)
Valdymo mygtukas:
LED indikacija (vienos spalvos):
Specifications
|
Quantity |
Value |
|
Physical |
|
|
Size (HxWxD): |
38x42.5x16.5 mm / 1.50x1.67x0.65 inch |
|
Weight: |
24.3 g / 0.86 oz |
|
Screw terminals max torque: |
0.4 Nm / 3.5 lbin |
|
Conductor cross section: |
0.5 to 4 mm² / 20 to 11 AWG (solid, stranded, and bootlace ferrules) |
|
Conductor stripped length: |
5 to 6 mm / 0.20 to 0.24 in |
|
Mounting: |
In-wall |
|
Shell material: |
Plastic |
|
Shell color: |
Shell: Lime Print: Black |
|
Connector color: |
Black |
|
Environmental |
|
|
Ambient working temperature: |
-20 °C to 40 °C / -5 °F to 105 °F |
|
Humidity: |
30 % to 70 % RH |
|
Max. altitude: |
2000 m / 6562 ft |
|
Electrical |
|
|
Power supply: |
220-240 V~ 50 Hz |
|
Power consumption: |
< 1.5 W |
|
Neutral not needed: |
Yes |
|
Min. load without neutral and without a Bypass: |
20 W |
|
Dimming type |
Trailing edge |
|
External protection: |
16 A, tripping characteristic B or C, |
|
Short circuit protection |
Yes |
|
Output circuits ratings |
|
|
Max. output power: |
200 W |
|
Sensors, meters* |
|
|
Voltmeter range (AC): |
180 V - 240 V |
|
Voltmeter accuracy: |
± 5 % (when used with neutral) |
|
Ammeter range (AC) |
0 A - 3 A, |
|
Ammeter accuracy: |
± 5 % (when used with neutral) |
|
Internal-temperature sensor: |
Yes |
|
*Precise measurement is possible only when used with neutral. |
|
|
Radio |
|
|
Wi-Fi |
|
|
Protocol: |
802.11 b/g/n |
|
RF band: |
2401 - 2483 МHz |
|
Max. RF power: |
< 20 dBm |
|
Range: |
Up to 50 m / 164 ft outdoors, up to 30 m / 98 ft indoors (depending on local conditions) |
|
Bluetooth |
|
|
Protocol: |
4.2 (BLE) |
|
RF band: |
2402 - 2480 MHz |
|
Max. RF power: |
< 4 dBm |
|
Range: |
Up to 30 m / 98 ft outdoors, up to 10 m / 33 ft indoors (depending on local conditions) |
|
Microcontroller unit |
|
|
CPU: |
|
|
Clock frequency: |
ESP32 C3: 40 Mhz |
|
Flash: |
8 MB |
|
Firmware capabilities |
|
|
Schedules: |
20 |
|
Webhooks (URL actions): |
20 with 5 URLs per hook… |
|
Scripting: |
Yes |
|
MQTT: |
Yes |
|
Advanced schedules: |
Yes |
|
KVS (Key-Value Store): |
Yes |
Basic wiring diagrams
|
Fig. 1 - With Neutral |
Fig. 2 - Without Neutral, with Bypass |
Legend
|
Terminals |
Wires |
||
|
L (x2) |
2 live terminals |
L |
Live (220-240 V~) wire |
|
N |
Neutral terminal |
N |
Neutral wire |
|
O (x2) |
2 output terminals to the load |
||
|
S1, S2 |
Switch/button input terminals for light control |
||